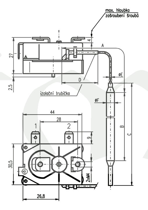
Pojistka KNTP8814.02, pevně nastavená teplota vypnutí na +235°C

Pojistka KNTP8814.02, pevně nastavená teplota vypnutí na +235°C,
Jiné nastavené teploty v rozsahu na poptávku +50..+320°C

Parametry výrobku:

Regulační rozsah +235 °C
Délka kapiláry [cm], nebo provedení 83
Odkazy Příslušenství - ochranné jímky
Ke stažení: teplomery_termostaty_au.pdf
Cena: 283 Kč (bez DPH)
Cena: 343 Kč včetně DPH 21 %
Do košíku

Volitelné příslušenství

Id: 9138,   ID_Pohoda : E1155,