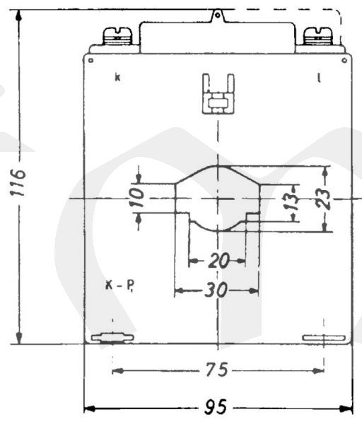
| Typ proudového transformátoru | ASK 31.6 |
| Primární proud trafa | 80 A |
| Jedna pásovina | 30x10 mm |
| Sekundární proud | 5 A |
| Způsob přípoje, průměr nebo pás | 23 mm |
| Třída přesnosti trafa | 0,5 % |
| Dvě pásoviny | 20x13 mm |
| Výkon | 5 VA |
| Nadproudové číslo | 5 |
| Kód výrobce | 10018 |
| Hmotnost trafa | 0,5 kg |
| Odkazy | Popis parametrů měřících transformátorů prouduNadproudové křivky chyb nízkonapěťových měřících transformátorů proudu a schéma zapojení |
| Ke stažení: |
Trafa_EXIMUS_MBS.pdf Spotreba_vedeni_k_trafu.pdf |
Id: 2577,