Regulátor teploty RT8801 (dále jen RT) je určen k regulaci teploty v zařízeních napájených střídavým elektrickým proudem, např. olejových radiátorů. RT neslouží jako vypínač.
Popis
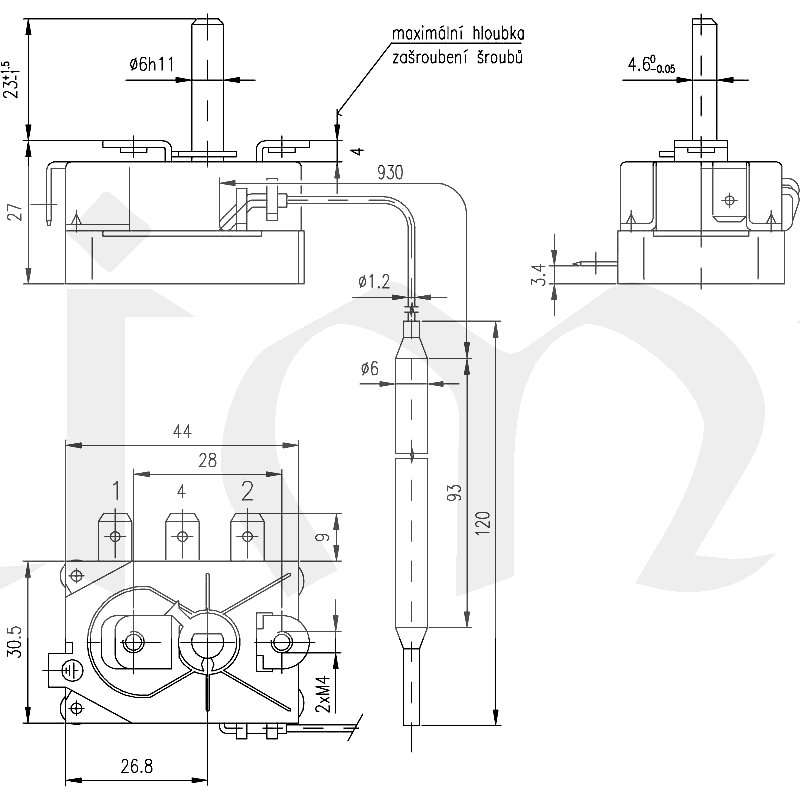
RT je jednopólový kapilární regulátor teploty založený na principu dilatace kapaliny. RT sestává ze dvou základních častí - ze spínacího ústrojí a kapilárního teplotního čidla. Na krytu je ochranný zemnící kolík. Regulovanou teplotu může uživatel nastavit v rozmezí regulačního rozsahu. Montáž RT se provádí dvěma šrouby M4.
Přednosti
- možnost variabilního umístění a natočení čidla nezávisle na poloze spínacího ústrojí
- možnost montovat spínací ústrojí v libovolné poloze
- možnost ohýbat kapiláru podle podmínek montáže
- systém nemá žádnou vlastní spotřebu energie
- nízké náklady na provoz a údržbu oproti elektronickým systémům
Technické údaje
|
Regulační rozsah |
0 °C až 40 °C |
|
Přesnost nastavení max. rozpínací teploty |
±2 °C |
|
Diference spínací hodnoty |
1-3 K |
|
Jmenovitý proud |
16 (2,6) A |
|
Jmenovité napětí |
240 V st. |
|
Meze teploty spínacího ústrojí |
0 °C - 150 °C |
|
Max.teplota čidla |
50 °C |
|
Krytí |
IP 00, RT je vestavný |
|
Třída ochrany |
I |
|
Životnost |
100 000 automatických cyklů |
|
Délka kapiláry |
1 000 mm |
|
Min.poloměr ohybu kapiláry |
Rmin = 5 mm |
|
Připojovací svorky |
ploché kolíky 6,3x0,8mm dle ČSNEN61210 |
Výrobek je certifikován VDE.
Přehled typového označení
|
Typ |
Regulační rozsah teplot [°C] |
Provedení |
Počet svorek |
Provedení |
Zemnící kolík |
|
8801.01 |
0-40 |
rozpínací |
2 |
rovné |
ano |
|
8801.011 |
0-40 |
přepínací |
3 |
rovné |
ano |
|
8801.011U |
0-40 |
přepínací |
3 |
úhlové |
ano |
