rozpínací kontakt při +90+5°C,
automatický reset při poklesu na +60°C±15°C,
max. zatížení kontaktů 250V, 5A ,
pouzdro izolované mat. PBT,
vývody délka 12mm.
Udc (URRM, UCEO, Umax) = 60 [V]
UAC-IN (max.vstupní střídavé napětí) = 500 [V]
IAC-OUT (TC/TA=25°C) = 5 [A]
Uisol (@25°C/1min/50Hz) = 2500 [V]
RDC = 0.05 [Ω]
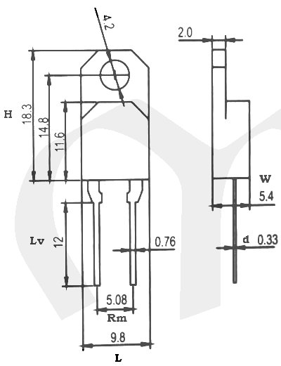
| RM - rozteč vývodů | 2.5 [mm], pouzdro THT otvor pr.4.2mm |
| Počet vývodů | 2 |
| W-šířka | 5.4 [mm] |
| L - délka | 9.8 [mm] |
| H - výška | 18.3 [mm] |
| Lv (délka vývodů) | 12 [mm] | vývody | 0.76x0.33 [mm] |
Balení a hmotnost:
| Hmotnost | 1.6 [g] |
| Balení | 100ks |
| Typ balení | SYP |
