Produkt byl přidán do košíku.

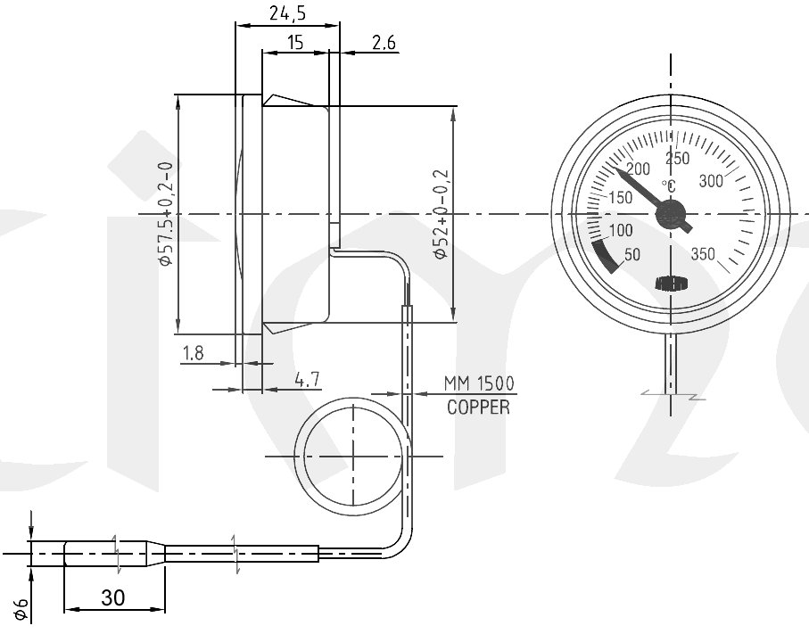
Kapilární teploměr, typ E5676, +50..+350°C, 1.5m

Tlakový kapilární teploměr určený k měření teploty v soustavách, kde místo snímání teploty není totožné s místem odečtu.
Teploměr je tvořen trubicí ve tvaru Archimedovy spirály, která se působením vnitřního přetlaku rozmotává a tím koná rotační pohyb.
Rotační pohyb přímo úměrný vnitřnímu přetlaku je přenesen na ručičku, která ukazuje na stupnici naměřenou hodnotu. Vnitřní přetlak úměrný teplotě se vyvozuje teplotní roztažností kapaliny v čidle, které je se spirálou spojeno kapilárou.
Montáž teploměru se provádí nasunutím hlavice teploměru do otvoru dle příslušného rozměrového náčrtu a umístěním teploměrového
čidla do jímky. Těleso teploměru je možno umístit v libovolné poloze. K zamezení rozkmitání kapiláry během provozu je nutné upevnění minimálně v dalších dvou bodech přibližně rovnoměrně rozložených v délce kapiláry. Nejmenší povolený poloměr ohybu spojovací kapiláry
je 5 mm. V provozu nevyžaduje žádnou údržbu.
Díky široké škále provedení je možné použití v mnoho odlišných aplikací. Nejčastější použití je pro bojlery, kotle, topné či chladící systémy.


Rozsah stupnice:     +50..+350°C
Max. teplota pouzdra:   +65°C
Třída přesnosti              4
Rozměry čidla       pr.6x30mm
čas. konstanta 15 s
Délka kapiláry       1500 mm
Min. pol. ohybu       5 mm

Volitelné příslušenství, Teploměrové jímky dle požadované délky, materiálu a závitu.

Parametry výrobku:

Teplotní rozsah +50..+350 °C
Ke stažení: teplomery_termostaty_au.pdf
Cena: 499 Kč (bez DPH)
Cena: 604 Kč včetně DPH 21 %
Do košíku

Volitelné příslušenství

Id: 16719,   ID_Pohoda : E5676,